Lien direct
  • Conrad
  • Mon compte

    Me connecter / M'inscrire

  • Panier

  • Promotions Promotions
  • Secteurs Industriels
    Industrie
    Infrastructure
    Serwices professionalles
  • Univers Conrad
    Conrad - Your Sourcing Platform
    Promotions
    Nouveaux produits
    Guides & Conseils
    Devenez vendeur sur conrad

    Marques propres

    Toolcraft
    Voltcraft
    Tru components
    Renkforce
    Speaka professional
    Sygonix
  • Services

    Services sélectionnés pour vous

    Statut de commande
    PCB
    Newsletter
    Garantie
    Avantage Education
    Service client
  • Solutions achats
    eProcurement
    Demande de devis
    Commandes cadencees
    Commande directe
    Produit a la demande
    Business Plus
  • Nos produits
  • Mon compte
  • Liste d'achats
  • Se déconnecter
Conrad
Accueil
Composants actifs Accessoires pour composants Radiateurs Dissipateurs thermiques

ASSMANN WSW V5234B-T V5234B-T Clip de maintien pour transistor 25 K/W (L x l x H) 18 x 25.4 x 7.9 mm TO-220

EAN :
Ref. fabricant :
Code produit :
Une pièce métallique noire et robuste avec un trou central et trois pattes recourbées vers le haut, probablement destinée à des fins de montage.
Une pièce métallique noire et robuste avec un trou central et trois pattes recourbées vers le haut, probablement destinée à des fins de montage.
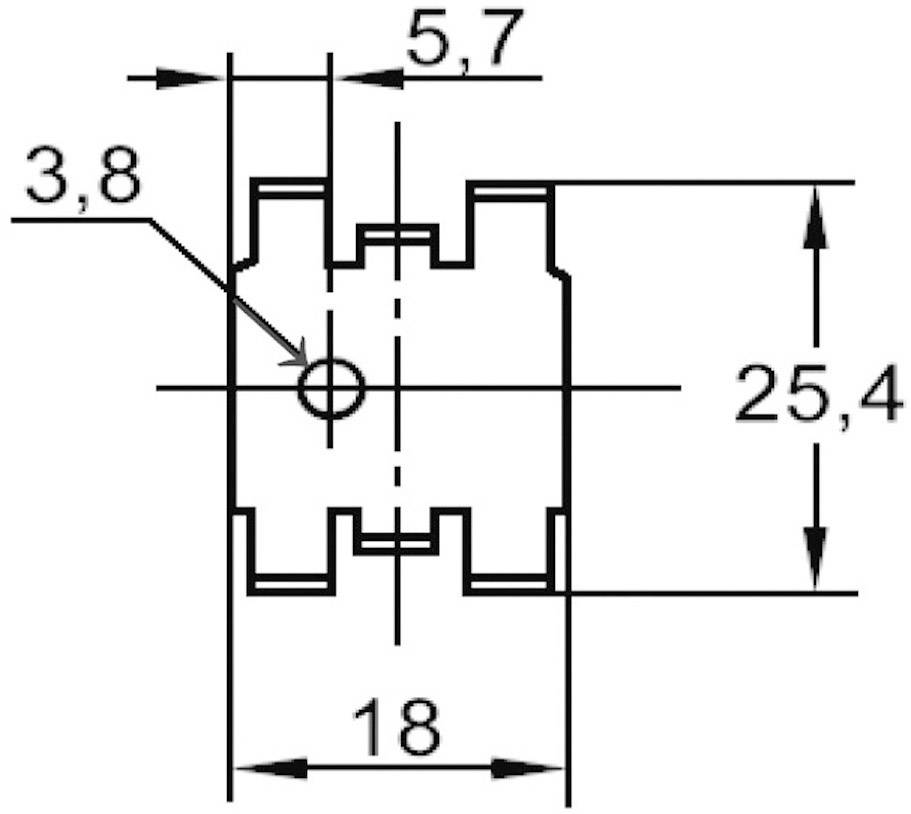
Dessin technique d'un profilé métallique avec dimensions : largeur 18 mm, hauteur 25,4 mm, diamètre de trou 3,8 mm, distance 5,7 mm.
Dessin technique montrant un composant rectangulaire avec une longueur indiquée '1' et une hauteur 'X', reliés par des lignes et des flèches.
1/3
Type de produit
Clip de maintien pour transistor
Adapté pour
TO-220
Résistance thermique R(th)
25 K/W
Matériau
aluminium
Longueur
18 mm
Fiche technique (PDF)
English
ASSMANN WSW
 

Afficher des alternatives
Vente et expédition :
Conrad Electronic CGV

Quantité (pièce(s))
Economie
prix de l'emballage (HT)
5
-
0,13 € €
15
-
0,13 € €
25
8% = 0,01 €
0,12 € €
50
15% = 0,02 €
0,11 € €
100
23% = 0,03 €
0,10 € €
Les remises sur volume varient selon les vendeurs
Économiser 0,00 €

Total (0,13 € / unité(s))
0,26 €
-50 %
€
Signaler un incident juridique
  • 1 500 000 références

  • 2500 marques

  • 18 marques Conrad

  • Service après-vente

  • 4 modes de livraison

  • Service Client

  • Ma commande

  • Modes de paiement pour les professionnels

  • Modes de paiement pour les particuliers

  • Droits de rétraction & retours

  • FAQ

  • Modes de livraison

  • A propos de Conrad

  • Conrad Your Sourcing Platform

  • Nouveautés & Conseils

  • Eco-responsabilité

  • ISO-certification

  • Vulnerability Disclosure Program

  • Information REACH

  • Informations sur l'accessibilité

  • Services Conrad

  • Service devis

  • e-Procurement

  • Business Plus

  • Service calibration

  • Accès rapide

  • Marques de A à Z

  • Catégories de A-Z

  • Nos promotions 🛒

  • Download Center

  • Recrutement

Newsletter

Inscrivez-vous à la newsletter et recevez 10 % de réduction* sur votre prochaine commande, sans montant minimum d'achat.

Inscrivez-vous à la newsletter et recevez 10 % de réduction* sur votre prochaine commande, sans montant minimum d'achat.

Veuillez saisir une adresse e-mail valide !

Les Semaines du Génie Climatique
* Remise de 20 % sur une sélection de produits des marques Philips et Sygonix, et 10 % sur l'ensemble de la gamme Bosch Home Comfort (à l'exception des références : 2885941 et 3730522). Offre valable jusqu'au 07/06/2026 sur conrad.fr (hors commandes Marketplace). Non cumulable avec d'autres codes avantages. Offre limitée à une utilisation par client. Nous nous réservons le droit de limiter les quantités commandées dans certains cas particuliers.

Wiha
* Remise exclusivement valable sur les articles remisables de la marque Wiha affichant un statut de livraison vert (disponibilité immédiate). L'offre est applicable jusqu'au 31/05/2026 sur conrad.fr, à l'exclusion des produits vendus via la Marketplace. Offre non cumulable avec d'autres codes avantages et limitée à une seule utilisation par client. Nous nous réservons le droit de limiter les quantités par commande dans certains cas.

Choisissez votre cadeau
* Cadeau offert pour toute commande d'un montant minimum de 250 €, 500 € ou 1 000 € HT (valeur minimum des articles immédiatement disponibles indiqués par un statut de livraison : vert. Valeur des articles conservés après un éventuel retour). Offre valable jusqu'au 19 juin 2026 sur conrad.fr (hors commandes Marketplace, cartes prépayées/cadeaux, livres et abonnement Business PLUS+). Non cumulable avec d'autres codes avantages. Offre limitée à une utilisation par client. Nous nous réservons le droit de limiter les quantités par commande dans certains cas particuliers.

Modes de paiement
Conrad sur les réseaux sociaux

Nous contacter

CONRAD ELECTRONIC

SERVICE CLIENT

ZONE COMMERCIALE
ENGLOS LES GEANTS
AVENUE DE LA BOUTILLERIE
59320 SEQUEDIN

Besoin d'aide ? Consultez notre FAQ

Les prix indiqués s'entendent HT (Hors Taxes)

Tous les prix indiqués s'entendent TTC (Toutes Taxes Comprises)

  • Protection des données

  • Méthodes de paiement sécurisées

  • Protocole SSL

  • Conditions générales de vente et d'utilisation

  • Mentions légales

  • Protection des données

  • Droit de rétractation

Comparaison des produits
Liste d'achats