Lien direct
  • Conrad
  • Mon compte

    Me connecter / M'inscrire

  • Panier

  • Promotions Promotions
  • Secteurs Industriels
    Industrie
    Infrastructure
    Serwices professionalles
  • Univers Conrad
    Conrad - Your Sourcing Platform
    Promotions
    Nouveaux produits
    Guides & Conseils
    Devenez vendeur sur conrad

    Marques propres

    Toolcraft
    Voltcraft
    Tru components
    Renkforce
    Speaka professional
    Sygonix
  • Services

    Services sélectionnés pour vous

    Statut de commande
    PCB
    Newsletter
    Garantie
    Avantage Education
    Service client
  • Solutions achats
    eProcurement
    Demande de devis
    Commandes cadencees
    Commande directe
    Produit a la demande
    Business Plus
  • Nos produits
  • Mon compte
  • Liste d'achats
  • Se déconnecter
Conrad
Accueil
Électromécanique Relais Relais électriques industriels

WAGO 859-391 Bloc de jonction à relais Tension nominale: 110 V/DC Courant de commutation (max.): 3 A 1 inverseur (RT) 1

EAN :
Ref. fabricant :
Code produit :
Bloc de connexion électrique gris avec carte de circuit imprimé verte et bornes à vis, adapté aux applications industrielles et au câblage.
Bloc de connexion électrique gris avec carte de circuit imprimé verte et bornes à vis, adapté aux applications industrielles et au câblage.
Dessin schématique d'un composant électronique avec les dimensions suivantes : largeur 91 mm (3,58 pouces), hauteur 56 mm (2,2 pouces).
Graphique de la caractéristique courant-tension : Tension (U) sur l'axe des ordonnées, Courant (I) sur l'axe des abscisses. Montre une diminution de la tension lorsque le courant augmente.
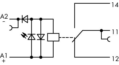
Le schéma montre une diode, une LED, une résistance et un interrupteur, connectés aux bornes A1, A2, 11, 12 et 14.
1/4
Photo non contractuelle
Type de produit
Bloc de jonction à relais
Type de contact
1 inverseur (RT)
Tension nominale
110 V/DC
Tension de contact (max.)
250 V/AC
Courant de commutation (max.)
3 A
Fiche technique (PDF)
Deutsch (Deutschland)
WAGO
Livraison avantle mar. 23 juin 2026


Quantité (pièce(s))
Economie
prix de l'emballage (HT)
1
-
34,99 €
3
3% = 1,13 €
33,86 €
5
5% = 1,59 €
33,40 €
10
5% = 1,89 €
33,10 €
25
6% = 2,23 €
32,76 €
Les remises sur volume varient selon les vendeurs
Économiser 0,00 €

Nombre

Total (34,99 € / unité(s))
34,99 €
HT 
dont 0,02 €  d’éco-part
Signaler un incident juridique
  • 1 500 000 références

  • 2500 marques

  • 18 marques Conrad

  • Service après-vente

  • 4 modes de livraison

  • Service Client

  • Ma commande

  • Modes de paiement pour les professionnels

  • Modes de paiement pour les particuliers

  • Droits de rétraction & retours

  • FAQ

  • Modes de livraison

  • A propos de Conrad

  • Conrad Your Sourcing Platform

  • Nouveautés & Conseils

  • Eco-responsabilité

  • ISO-certification

  • Vulnerability Disclosure Program

  • Information REACH

  • Informations sur l'accessibilité

  • Services Conrad

  • Service devis

  • e-Procurement

  • Business Plus

  • Service calibration

  • Accès rapide

  • Marques de A à Z

  • Catégories de A-Z

  • Nos promotions 🛒

  • Download Center

  • Recrutement

Newsletter

Inscrivez-vous à la newsletter et recevez 10 % de réduction* sur votre prochaine commande, sans montant minimum d'achat.

Inscrivez-vous à la newsletter et recevez 10 % de réduction* sur votre prochaine commande, sans montant minimum d'achat.

Veuillez saisir une adresse e-mail valide !

Modes de paiement
Conrad sur les réseaux sociaux

Nous contacter

CONRAD ELECTRONIC

SERVICE CLIENT

ZONE COMMERCIALE
ENGLOS LES GEANTS
AVENUE DE LA BOUTILLERIE
59320 SEQUEDIN

Besoin d'aide ? Consultez notre FAQ

Les prix indiqués s'entendent HT (Hors Taxes)

Tous les prix indiqués s'entendent TTC (Toutes Taxes Comprises)

  • Protection des données

  • Méthodes de paiement sécurisées

  • Protocole SSL

  • Conditions générales de vente et d'utilisation

  • Mentions légales

  • Protection des données

  • Droit de rétractation

Comparaison des produits
Liste d'achats