Lien direct
  • Conrad
  • Mon compte

    Me connecter / M'inscrire

  • Panier

  • Promotions Promotions
  • Secteurs Industriels
    Industrie
    Infrastructure
    Serwices professionalles
  • Univers Conrad
    Conrad - Your Sourcing Platform
    Promotions
    Nouveaux produits
    Guides & Conseils
    Devenez vendeur sur conrad

    Marques propres

    Toolcraft
    Voltcraft
    Tru components
    Renkforce
    Speaka professional
    Sygonix
  • Services

    Services sélectionnés pour vous

    Statut de commande
    PCB
    Newsletter
    Garantie
    Avantage Education
    Service client
  • Solutions achats
    eProcurement
    Demande de devis
    Commandes cadencees
    Commande directe
    Produit a la demande
    Business Plus
  • Nos produits
  • Mon compte
  • Liste d'achats
  • Se déconnecter
Conrad
Accueil
Électromécanique Relais Relais Reed Contacts Reed

Contact Reed PIC HSR-0025TSM 2-15 AW HSR-0025TSM 2-15 AW 1 NO (T) 30 V/DC, 30 V/AC 0.01 A 0.25 W 1 pc(s)

EAN :
Ref. fabricant :
Code produit :
Un interrupteur à tubes de verre vert (reed switch) avec deux fils, utilisé pour contrôler les courants électriques par commutation magnétique.
Un interrupteur à tubes de verre vert (reed switch) avec deux fils, utilisé pour contrôler les courants électriques par commutation magnétique.
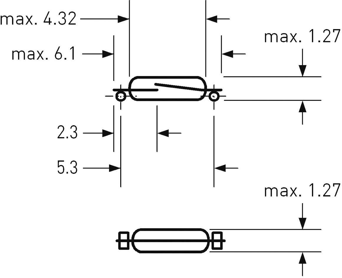
Le diagramme montre deux formes avec des dimensions en millimètres. En haut : irrégulière. Dimensions : max. 4,32, max. 6,1, hauteur 2,3, largeur 5,3, hauteur max. 1,27. En bas : rectangulaire, hauteur max. 1,27.
1/2
Photo non contractuelle
Type de produit
Contact Reed
Type de contact
1 NO (T)
Tension de contact (max.)
30 V/DC
30 V/AC
Courant de commutation (max.)
0.01 A
Connexion
pin à souder
Fiche technique (PDF)
PIC
Indisponible

Afficher des alternatives

Quantité (pièce(s))
Economie
prix de l'emballage (HT)
1
-
13,33 €
3
6% = 0,74 €
12,59 €
5
8% = 1,04 €
12,29 €
Les remises sur volume varient selon les vendeurs
Économiser 0,00 €

Total (13,33 € / unité(s))
13,33 €
HT 
Signaler un incident juridique
  • 1 500 000 références

  • 2500 marques

  • 18 marques Conrad

  • Service après-vente

  • 4 modes de livraison

  • Service Client

  • Ma commande

  • Modes de paiement pour les professionnels

  • Modes de paiement pour les particuliers

  • Droits de rétraction & retours

  • FAQ

  • Modes de livraison

  • A propos de Conrad

  • Conrad Your Sourcing Platform

  • Nouveautés & Conseils

  • Eco-responsabilité

  • ISO-certification

  • Vulnerability Disclosure Program

  • Information REACH

  • Informations sur l'accessibilité

  • Services Conrad

  • Service devis

  • e-Procurement

  • Business Plus

  • Service calibration

  • Accès rapide

  • Marques de A à Z

  • Catégories de A-Z

  • Nos promotions 🛒

  • Download Center

  • Recrutement

Newsletter

Inscrivez-vous à la newsletter et recevez 10 % de réduction* sur votre prochaine commande, sans montant minimum d'achat.

Inscrivez-vous à la newsletter et recevez 10 % de réduction* sur votre prochaine commande, sans montant minimum d'achat.

Veuillez saisir une adresse e-mail valide !

Modes de paiement
Conrad sur les réseaux sociaux

Nous contacter

CONRAD ELECTRONIC

SERVICE CLIENT

ZONE COMMERCIALE
ENGLOS LES GEANTS
AVENUE DE LA BOUTILLERIE
59320 SEQUEDIN

Besoin d'aide ? Consultez notre FAQ

Les prix indiqués s'entendent HT (Hors Taxes)

Tous les prix indiqués s'entendent TTC (Toutes Taxes Comprises)

  • Protection des données

  • Méthodes de paiement sécurisées

  • Protocole SSL

  • Conditions générales de vente et d'utilisation

  • Mentions légales

  • Protection des données

  • Droit de rétractation

Comparaison des produits
Liste d'achats