Lien direct
  • Conrad
  • Mon compte

    Me connecter / M'inscrire

  • Panier

  • Promotions Promotions
  • Secteurs Industriels
    Industrie
    Infrastructure
    Serwices professionalles
  • Univers Conrad
    Conrad - Your Sourcing Platform
    Promotions
    Nouveaux produits
    Guides & Conseils
    Devenez vendeur sur conrad

    Marques propres

    Toolcraft
    Voltcraft
    Tru components
    Renkforce
    Speaka professional
    Sygonix
  • Services

    Services sélectionnés pour vous

    Statut de commande
    PCB
    Newsletter
    Garantie
    Avantage Education
    Service client
  • Solutions achats
    eProcurement
    Demande de devis
    Commandes cadencees
    Commande directe
    Produit a la demande
    Business Plus
  • Nos produits
  • Mon compte
  • Liste d'achats
  • Se déconnecter
Conrad
Accueil
Automatisme & pneumatique Automatisme Technologies de commutation Contacteurs

Contacteur auxiliaire Siemens 3RH2131-2BB40 1 pc(s)

EAN :
Ref. fabricant :
Code produit :
Un contacteur électrique Siemens de la série SIRIUS, noir et gris, montrant les bornes de contact. Adapté aux systèmes de commande dans les applications industrielles.
Un contacteur électrique Siemens de la série SIRIUS, noir et gris, montrant les bornes de contact. Adapté aux systèmes de commande dans les applications industrielles.
Une armoire électrique ouverte remplie de câbles et de composants électroniques, organisés sur des étagères, révèle un câblage structuré.
'Schéma de câblage pour contacteur auxiliaire et contacteur auxiliaire de couplage avec différents types d'adaptateurs et possibilités de connexion.'
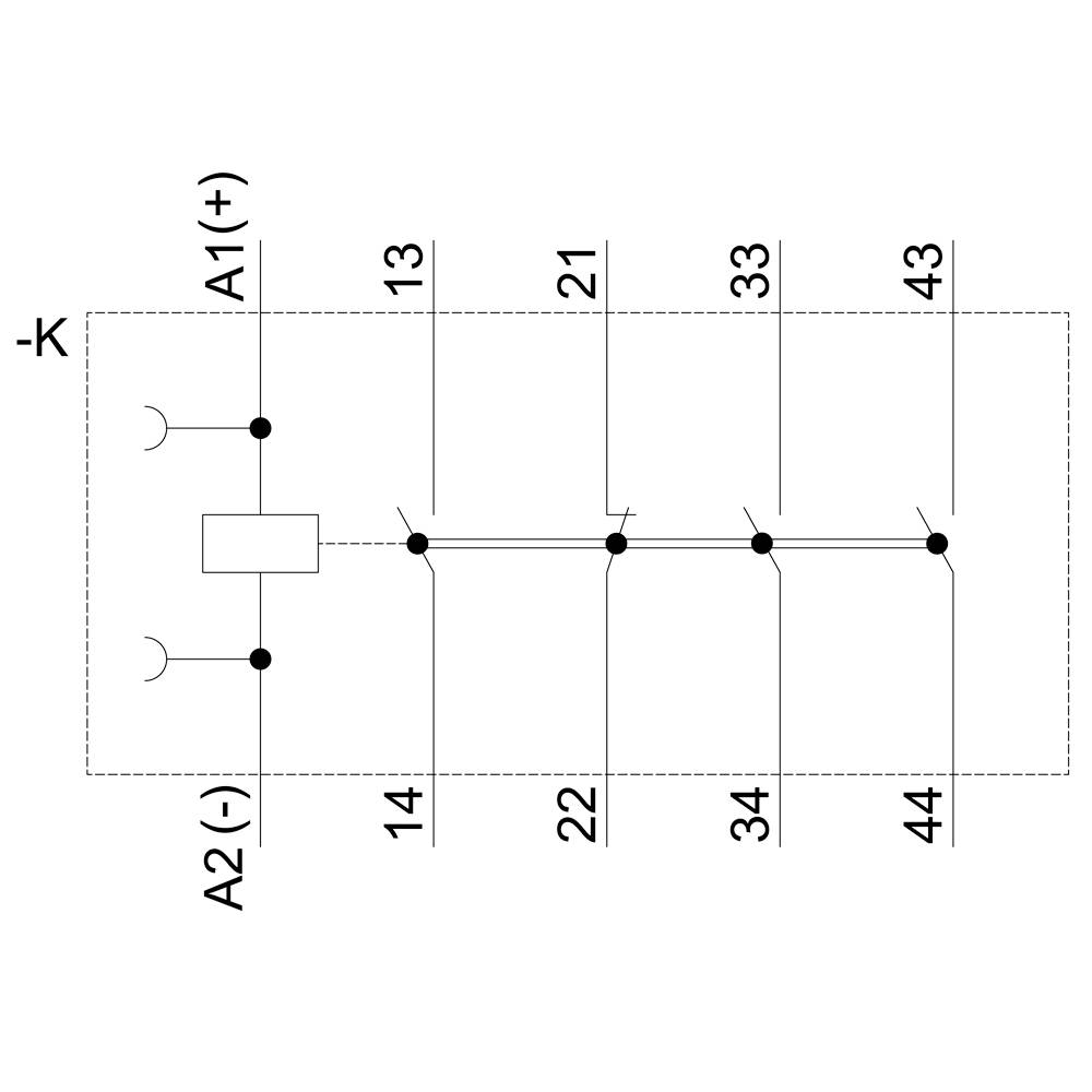
Schéma de câblage d'un circuit électrique avec quatre interrupteurs en série, étiqueté avec A1(+), A2(-), 13, 21, 33, 43, 14, 22, 34, 44.
Dessin technique d'un composant électronique avec dimensions et détails de fixation. À gauche : Vue de face. Au centre : Vue latérale. À droite : Vue de dessus avec trous de perçage.
Diagramme d'un agencement modulaire Siemens SIRIUS, montrant les connexions avec leurs numérotations et l'identification du produit.
1/6
Photo non contractuelle
Type de produit
Contacteur auxiliaire
Type
3RH2131-2BB40
Dimensions
S00
Type de contact auxiliaire
1 NF (R)
3 NO (T)
Gamme de tension de commande
Fiche technique (PDF)
Siemens
 

10 pièce(s)
Vente et expédition :
intos GmbH (FR) CGV

Quantité (pièce(s))
Economie
prix de l'emballage (HT)
2
-
24,75 € €
3
1% = 0,35 €
24,40 € €
Les remises sur volume varient selon les vendeurs
Économiser 0,00 €

Nombre

Total (25,00 € / unité(s))
€
Plus que 10 pièce(s) en stock !
Vous bénéficiez déjà de la meilleure offre pour cette quantité.
Nous vous proposons (Prix pour 1 pièce(s))
Conrad Electronic
CGV et Politique de retour
 

20 pièce(s)

frais de port
Notre offre

€

HT
Signaler un incident juridique
  • 1 500 000 références

  • 2500 marques

  • 18 marques Conrad

  • Service après-vente

  • 4 modes de livraison

  • Service Client

  • Ma commande

  • Modes de paiement pour les professionnels

  • Modes de paiement pour les particuliers

  • Droits de rétraction & retours

  • FAQ

  • Modes de livraison

  • A propos de Conrad

  • Conrad Your Sourcing Platform

  • Nouveautés & Conseils

  • Eco-responsabilité

  • ISO-certification

  • Vulnerability Disclosure Program

  • Information REACH

  • Informations sur l'accessibilité

  • Services Conrad

  • Service devis

  • e-Procurement

  • Business Plus

  • Service calibration

  • Accès rapide

  • Marques de A à Z

  • Catégories de A-Z

  • Nos promotions 🛒

  • Download Center

  • Recrutement

Newsletter

Inscrivez-vous à la newsletter et recevez 10 % de réduction* sur votre prochaine commande, sans montant minimum d'achat.

Inscrivez-vous à la newsletter et recevez 10 % de réduction* sur votre prochaine commande, sans montant minimum d'achat.

Veuillez saisir une adresse e-mail valide !

* Remises valables uniquement sur les articles remisables disponibles immédiatement (statut de disponibilité vert) : -15 % sur les articles d'éclairage de la marque Sygonix, -10 % sur l'ensemble de la gamme des marques Paulmann et Ledlenser, ainsi que -10 % sur une sélection d'articles de la marque Philips. Valable jusqu'au 10/05/2026 sur conrad.fr (à l'exception des commandes Marketplace). Non cumulable avec d'autres codes avantages. Une utilisation par client. Une limitation de la quantité vendue peut s'appliquer dans certains cas.

Modes de paiement
Conrad sur les réseaux sociaux

Nous contacter

CONRAD ELECTRONIC

SERVICE CLIENT

ZONE COMMERCIALE
ENGLOS LES GEANTS
AVENUE DE LA BOUTILLERIE
59320 SEQUEDIN

Besoin d'aide ? Consultez notre FAQ

Les prix indiqués s'entendent HT (Hors Taxes)

Tous les prix indiqués s'entendent TTC (Toutes Taxes Comprises)

  • Protection des données

  • Méthodes de paiement sécurisées

  • Protocole SSL

  • Conditions générales de vente et d'utilisation

  • Mentions légales

  • Protection des données

  • Droit de rétractation

Comparaison des produits
Liste d'achats