Lien direct
  • Conrad
  • Mon compte

    Me connecter / M'inscrire

  • Panier

  • Promotions Promotions
  • Secteurs Industriels
    Industrie
    Infrastructure
    Serwices professionalles
  • Univers Conrad
    Conrad - Your Sourcing Platform
    Promotions
    Nouveaux produits
    Guides & Conseils
    Devenez vendeur sur conrad

    Marques propres

    Toolcraft
    Voltcraft
    Tru components
    Renkforce
    Speaka professional
    Sygonix
  • Services

    Services sélectionnés pour vous

    Statut de commande
    PCB
    Newsletter
    Garantie
    Avantage Education
    Service client
  • Solutions achats
    eProcurement
    Demande de devis
    Commandes cadencees
    Commande directe
    Produit a la demande
    Business Plus
  • Nos produits
  • Mon compte
  • Liste d'achats
  • Se déconnecter
Conrad
Accueil
Automatisme & pneumatique Automatisme Technologies de commutation Disjoncteurs

Disjoncteur Siemens 3RV1011-1EA10 3 NO (T) Plage de réglage (courant): 2.8 - 4 A Tension de contact (max.): 690 V/AC (l

EAN :
Ref. fabricant :
Code produit :
Un interrupteur électrique portant l'inscription 'Siemens Sirius', montrant un commutateur passant de 'I' (Marche) à 'O' (Arrêt), avec un bouton vert pour 'Test'.
Un interrupteur électrique portant l'inscription 'Siemens Sirius', montrant un commutateur passant de 'I' (Marche) à 'O' (Arrêt), avec un bouton vert pour 'Test'.
Une armoire électrique avec la porte ouverte montre des composants électroniques. En arrière-plan, une machine de production est visible derrière une vitre couverte de gouttes de pluie.
'Disjoncteur de taille S00 avec accessoires montables. Contacteur auxiliaire transversal et latéral avec applications spécifiques.'
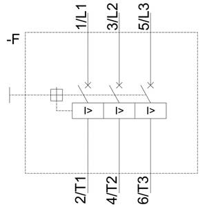
Diagramme technique avec un rectangle contenant trois triangles, et des annotations telles que '1/L1', '3/L2', '5/L3'.
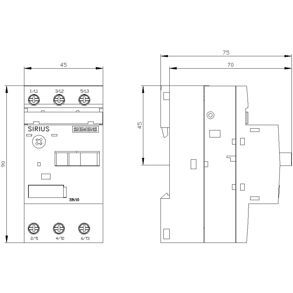
Dessin technique d'un module de protection, vue de face et de côté, avec dimensions en millimètres : hauteur 90, largeur 45, profondeur 75.
1/5
Photo non contractuelle
Type de produit
Disjoncteur
Valeur du courant d'appel (max.)
4 A
Type de contact
3 NO (T)
Type
3RV1011-1EA10
Dimensions
S00
Fiche technique (PDF)
Deutsch (Deutschland)
Siemens
Livraison avantle lun. 13 avril

3 pièce(s)

Quantité (pièce(s))
Economie
prix de l'emballage (HT)
1
-
66,66 €
3
3% = 1,85 €
64,81 €
5
4% = 2,58 €
64,08 €
10
5% = 3,08 €
63,58 €
25
5% = 3,63 €
63,03 €
Les remises sur volume varient selon les vendeurs
Économiser 0,00 €

Nombre

Total (66,66 € / unité(s))
83,33 €
-20 %
66,66 €
HT 
dont 0,01 €  d’éco-part
Plus que 3 pièce(s) en stock !
Signaler un incident juridique
  • 1 500 000 références

  • 2500 marques

  • 18 marques Conrad

  • Service après-vente

  • 4 modes de livraison

  • Service Client

  • Ma commande

  • Modes de paiement pour les professionnels

  • Modes de paiement pour les particuliers

  • Droits de rétraction & retours

  • FAQ

  • Modes de livraison

  • A propos de Conrad

  • Conrad Your Sourcing Platform

  • Nouveautés & Conseils

  • Eco-responsabilité

  • ISO-certification

  • Vulnerability Disclosure Program

  • Information REACH

  • Informations sur l'accessibilité

  • Services Conrad

  • Service devis

  • e-Procurement

  • Business Plus

  • Service calibration

  • Accès rapide

  • Marques de A à Z

  • Catégories de A-Z

  • Nos promotions 🛒

  • Download Center

  • Recrutement

Newsletter

Inscrivez-vous à la newsletter et recevez 10 % de réduction* sur votre prochaine commande, sans montant minimum d'achat.

Inscrivez-vous à la newsletter et recevez 10 % de réduction* sur votre prochaine commande, sans montant minimum d'achat.

Veuillez saisir une adresse e-mail valide !

Offre Produits de bureau
Remise valable uniquement sur les articles remisables des marques i-Tec, Intenso, Canon et Brother en stock. Offre valable jusqu'au 05/04/2026 sur conrad.fr (hors commandes Marketplace) avec le code OFFICE326. Non cumulable avec d'autres codes avantages. Une seule utilisation par client. Les quantités commandées peuvent être limitées. Plus d'informations sur conr.fr/codeavantage

Modes de paiement
Conrad sur les réseaux sociaux

Nous contacter

CONRAD ELECTRONIC

SERVICE CLIENT

ZONE COMMERCIALE
ENGLOS LES GEANTS
AVENUE DE LA BOUTILLERIE
59320 SEQUEDIN

Besoin d'aide ? Consultez notre FAQ

Les prix indiqués s'entendent HT (Hors Taxes)

Tous les prix indiqués s'entendent TTC (Toutes Taxes Comprises)

  • Protection des données

  • Méthodes de paiement sécurisées

  • Protocole SSL

  • Conditions générales de vente et d'utilisation

  • Mentions légales

  • Protection des données

  • Droit de rétractation

Comparaison des produits
Liste d'achats