Lien direct
  • Conrad
  • Mon compte

    Me connecter / M'inscrire

  • Panier

  • Promotions Promotions
  • Secteurs Industriels
    Industrie
    Infrastructure
    Serwices professionalles
  • Univers Conrad
    Conrad - Your Sourcing Platform
    Promotions
    Nouveaux produits
    Guides & Conseils
    Devenez vendeur sur conrad

    Marques propres

    Toolcraft
    Voltcraft
    Tru components
    Renkforce
    Speaka professional
    Sygonix
  • Services

    Services sélectionnés pour vous

    Statut de commande
    PCB
    Newsletter
    Garantie
    Avantage Education
    Service client
  • Solutions achats
    eProcurement
    Demande de devis
    Commandes cadencees
    Commande directe
    Produit a la demande
    Business Plus
  • Nos produits
  • Mon compte
  • Liste d'achats
  • Se déconnecter
Conrad
Accueil
Électromécanique Relais Relais pour C.I., Relais enfichables

Finder 36.11.9.006.4011 Relais pour circuits imprimés 6 V/DC 10 A 1 inverseur (RT) 1 pc(s)

EAN :
Ref. fabricant :
Code produit :
Un relais blanc portant l'inscription '12V' et '10A/250V'. Il possède quatre broches métalliques en bas et est adapté pour des commutations électriques.
Un relais blanc portant l'inscription '12V' et '10A/250V'. Il possède quatre broches métalliques en bas et est adapté pour des commutations électriques.
Dessin technique de deux composants électroniques avec dimensions en millimètres, indiquant la largeur, la hauteur et les espacements des broches.
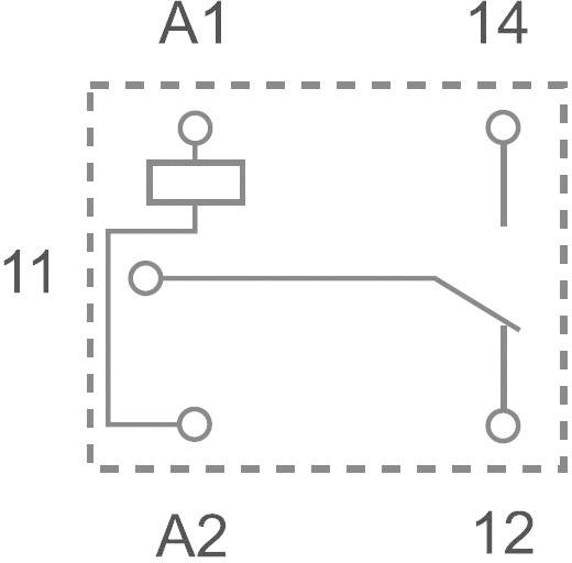
Schéma de câblage d'un relais avec les connexions : A1, A2, 11, 12, 14. Représentation du trajet interne du courant avec l'interrupteur et le bobinage.
Dessin technique d'un perçage carré avec les dimensions suivantes : largeur 12,2 mm, hauteur 12 mm, trous de diamètre 1,3 mm.
1/4
Photo non contractuelle
Type de produit
Relais pour circuits imprimés
Tension nominale de la bobine
6 V/DC
Type de commande
monostable, 1 bobine
Type de contact
1 inverseur (RT)
Tension de contact (max.)
250 V/AC
Fiche technique (PDF)
Finder
Livraisonle ven. 10 avril

82 pièce(s)

Quantité (pièce(s))
Economie
prix de l'emballage (HT)
1
-
1,91 €
10
7% = 0,14 €
1,77 €
25
10% = 0,20 €
1,71 €
50
13% = 0,24 €
1,67 €
100
15% = 0,28 €
1,63 €
250
17% = 0,33 €
1,58 €
Les remises sur volume varient selon les vendeurs
Économiser 0,00 €

Nombre

Total (1,91 € / unité(s))
1,91 €
HT 
Signaler un incident juridique
  • 1 500 000 références

  • 2500 marques

  • 18 marques Conrad

  • Service après-vente

  • 4 modes de livraison

  • Service Client

  • Ma commande

  • Modes de paiement pour les professionnels

  • Modes de paiement pour les particuliers

  • Droits de rétraction & retours

  • FAQ

  • Modes de livraison

  • A propos de Conrad

  • Conrad Your Sourcing Platform

  • Nouveautés & Conseils

  • Eco-responsabilité

  • ISO-certification

  • Vulnerability Disclosure Program

  • Information REACH

  • Informations sur l'accessibilité

  • Services Conrad

  • Service devis

  • e-Procurement

  • Business Plus

  • Service calibration

  • Accès rapide

  • Marques de A à Z

  • Catégories de A-Z

  • Nos promotions 🛒

  • Download Center

  • Recrutement

Newsletter

Inscrivez-vous à la newsletter et recevez 10 % de réduction* sur votre prochaine commande, sans montant minimum d'achat.

Inscrivez-vous à la newsletter et recevez 10 % de réduction* sur votre prochaine commande, sans montant minimum d'achat.

Veuillez saisir une adresse e-mail valide !

Modes de paiement
Conrad sur les réseaux sociaux

Nous contacter

CONRAD ELECTRONIC

SERVICE CLIENT

ZONE COMMERCIALE
ENGLOS LES GEANTS
AVENUE DE LA BOUTILLERIE
59320 SEQUEDIN

Besoin d'aide ? Consultez notre FAQ

Les prix indiqués s'entendent HT (Hors Taxes)

Tous les prix indiqués s'entendent TTC (Toutes Taxes Comprises)

  • Protection des données

  • Méthodes de paiement sécurisées

  • Protocole SSL

  • Conditions générales de vente et d'utilisation

  • Mentions légales

  • Protection des données

  • Droit de rétractation

Comparaison des produits
Liste d'achats