Lien direct
  • Conrad
  • Mon compte

    Me connecter / M'inscrire

  • Panier

  • Promotions Promotions
  • Secteurs Industriels
    Industrie
    Infrastructure
    Serwices professionalles
  • Univers Conrad
    Conrad - Your Sourcing Platform
    Promotions
    Nouveaux produits
    Guides & Conseils
    Devenez vendeur sur conrad

    Marques propres

    Toolcraft
    Voltcraft
    Tru components
    Renkforce
    Speaka professional
    Sygonix
  • Services

    Services sélectionnés pour vous

    Statut de commande
    PCB
    Newsletter
    Garantie
    Avantage Education
    Service client
  • Solutions achats
    eProcurement
    Demande de devis
    Commandes cadencees
    Commande directe
    Produit a la demande
    Business Plus
  • Nos produits
  • Mon compte
  • Liste d'achats
  • Se déconnecter
Conrad
Accueil
Automatisme & pneumatique Automatisme Capteurs industriels Composants pour la sécurité Relais de sécurité

Module d'extension PSR-SCP- 24DC/URD3/4X1/2X2/3 Phoenix Contact 2 NO (T) (l x H x P) 22.5 x 99 x 114.5 mm 1 pc(s)

EAN :
Ref. fabricant :
Code produit :
Relais de sécurité jaune avec des bornes de connexion vertes. Boutons rouge et blanc sur la façade. Utilisé dans les systèmes de sécurité électriques.
Relais de sécurité jaune avec des bornes de connexion vertes. Boutons rouge et blanc sur la façade. Utilisé dans les systèmes de sécurité électriques.
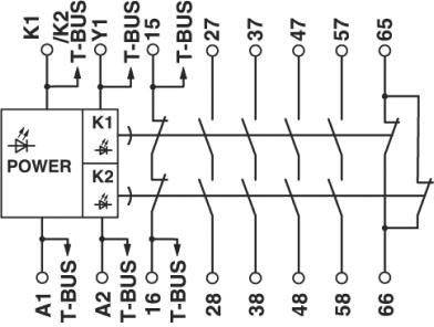
Schéma de câblage avec une source d'alimentation à gauche, reliant différents trajets vers des composants électriques, numérotés de 1 à 66.
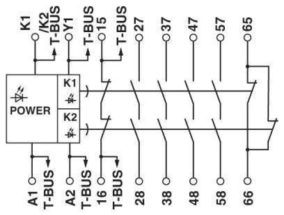
Schéma de câblage d'un appareil électrique avec alimentation électrique et connexions T-Bus. À gauche, boîte d'alimentation avec K1 et K2 ; à droite, bornes numérotées.
1/3
Photo non contractuelle
Type de produit
Module d'extension
Type
PSR-SCP- 24DC/URD3/4X1/2X2/3
Temps de réponse
20 ms
Type de contact
2 NO (T)
Tension de contact (max.)
250 V DC/AC
Fiche technique (PDF)
European union
Phoenix Contact
 

Vente et expédition :
Conrad Electronic CGV

Quantité (pièce(s))
Economie
prix de l'emballage (HT)
1
-
229,17 € €
3
2% = 5,59 €
223,58 € €
5
3% = 7,82 €
221,35 € €
10
4% = 9,30 €
219,87 € €
Les remises sur volume varient selon les vendeurs
Économiser 0,00 €

Nombre

Total (229,17 € / unité(s))
265,83 €
-14 %
€
Signaler un incident juridique
  • 1 500 000 références

  • 2500 marques

  • 18 marques Conrad

  • Service après-vente

  • 4 modes de livraison

  • Service Client

  • Ma commande

  • Modes de paiement pour les professionnels

  • Modes de paiement pour les particuliers

  • Droits de rétraction & retours

  • FAQ

  • Modes de livraison

  • A propos de Conrad

  • Conrad Your Sourcing Platform

  • Nouveautés & Conseils

  • Eco-responsabilité

  • ISO-certification

  • Vulnerability Disclosure Program

  • Information REACH

  • Informations sur l'accessibilité

  • Services Conrad

  • Service devis

  • e-Procurement

  • Business Plus

  • Service calibration

  • Accès rapide

  • Marques de A à Z

  • Catégories de A-Z

  • Nos promotions 🛒

  • Download Center

  • Recrutement

Newsletter

Inscrivez-vous à la newsletter et recevez 10 % de réduction* sur votre prochaine commande, sans montant minimum d'achat.

Inscrivez-vous à la newsletter et recevez 10 % de réduction* sur votre prochaine commande, sans montant minimum d'achat.

Veuillez saisir une adresse e-mail valide !

Le semaines de l'électricité
* Remises valables uniquement sur les articles remisables en stock (disponibilité immédiate) : -15 % sur une sélection de produits de la marque Sygonix, -10 % sur l'ensemble de la gamme des marques AS Schwabe et Brennenstuhl, et -10 % sur une sélection d'articles de la marque Siemens. Offre valable jusqu’au 24/05/2026 sur conrad.fr (hors commandes Marketplace). Non cumulable avec d’autres codes avantages. Offre limitée à une utilisation par client (professionnel ou particulier). Nous nous réservons le droit de limiter les quantités par commande dans certains cas particuliers.

Wiha
* Remise exclusivement valable sur les articles remisables de la marque Wiha affichant un statut de livraison vert (disponibilité immédiate). L'offre est applicable jusqu'au 31/05/2026 sur conrad.fr, à l'exclusion des produits vendus via la Marketplace. Offre non cumulable avec d'autres codes avantages et limitée à une seule utilisation par client. Nous nous réservons le droit de limiter les quantités par commande dans certains cas.

Modes de paiement
Conrad sur les réseaux sociaux

Nous contacter

CONRAD ELECTRONIC

SERVICE CLIENT

ZONE COMMERCIALE
ENGLOS LES GEANTS
AVENUE DE LA BOUTILLERIE
59320 SEQUEDIN

Besoin d'aide ? Consultez notre FAQ

Les prix indiqués s'entendent HT (Hors Taxes)

Tous les prix indiqués s'entendent TTC (Toutes Taxes Comprises)

  • Protection des données

  • Méthodes de paiement sécurisées

  • Protocole SSL

  • Conditions générales de vente et d'utilisation

  • Mentions légales

  • Protection des données

  • Droit de rétractation

Comparaison des produits
Liste d'achats