Lien direct
  • Conrad
  • Mon compte

    Me connecter / M'inscrire

  • Panier

  • Promotions Promotions
  • Secteurs Industriels
    Industrie
    Infrastructure
    Serwices professionalles
  • Univers Conrad
    Conrad - Your Sourcing Platform
    Promotions
    Nouveaux produits
    Guides & Conseils
    Devenez vendeur sur conrad

    Marques propres

    Toolcraft
    Voltcraft
    Tru components
    Renkforce
    Speaka professional
    Sygonix
  • Services

    Services sélectionnés pour vous

    Statut de commande
    PCB
    Newsletter
    Garantie
    Avantage Education
    Service client
  • Solutions achats
    eProcurement
    Demande de devis
    Commandes cadencees
    Commande directe
    Produit a la demande
    Business Plus
  • Nos produits
  • Mon compte
  • Liste d'achats
  • Se déconnecter
Conrad
Accueil
Automatisme & pneumatique Automatisme API - Automates Programmables Industriels Phoenix Contact Composants et systèmes de bus de terrain Phoenix Contact

Phoenix Contact FB-12SP ISO 2316312 Module de couplage 32 V/DC

EAN :
Ref. fabricant :
Code produit :
Un module noir portant l'inscription 'PHOENIX CONTACT F8-12SP ISO' avec plusieurs bornes de connexion bleues.
Un module noir portant l'inscription 'PHOENIX CONTACT F8-12SP ISO' avec plusieurs bornes de connexion bleues.
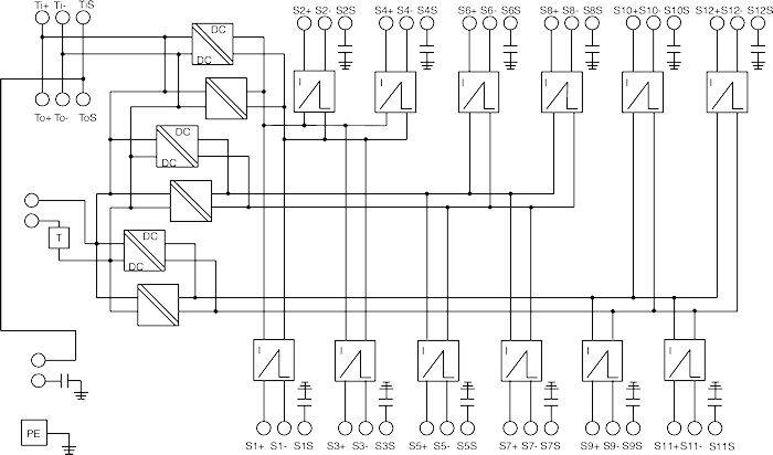
Le schéma montre la configuration d'un système électrique avec des relais, des interrupteurs et des conducteurs ; les chemins de connexion sont clairement marqués.
Dessin technique d'un appareil de Phoenix Contact, avec les dimensions suivantes : 142 mm de hauteur, 279 mm de largeur et 66 mm de profondeur.
'Schéma électrique avec contacteurs, relais et capteurs, montrant les lignes de connexion entre différents composants électriques.'
1/4
Photo non contractuelle
Phoenix Contact
Fiche technique (PDF)
European union
 

Vente et expédition :
Conrad Electronic CGV

Quantité (pièce(s))
Economie
prix de l'emballage (HT)
1
-
1 445,83 € €
3
2% = 35,27 €
1 410,56 € €
5
3% = 49,30 €
1 396,53 € €
10
4% = 58,70 €
1 387,13 € €
Les remises sur volume varient selon les vendeurs
Économiser 0,00 €

Nombre

Total (1 445,83 € / unité(s))
1 795,83 €
-19 %
€
Signaler un incident juridique
  • 1 500 000 références

  • 2500 marques

  • 18 marques Conrad

  • Service après-vente

  • 4 modes de livraison

  • Service Client

  • Ma commande

  • Modes de paiement pour les professionnels

  • Modes de paiement pour les particuliers

  • Droits de rétraction & retours

  • FAQ

  • Modes de livraison

  • A propos de Conrad

  • Conrad Your Sourcing Platform

  • Nouveautés & Conseils

  • Eco-responsabilité

  • ISO-certification

  • Vulnerability Disclosure Program

  • Information REACH

  • Informations sur l'accessibilité

  • Services Conrad

  • Service devis

  • e-Procurement

  • Business Plus

  • Service calibration

  • Accès rapide

  • Marques de A à Z

  • Catégories de A-Z

  • Nos promotions 🛒

  • Download Center

  • Recrutement

Newsletter

Inscrivez-vous à la newsletter et recevez 10 % de réduction* sur votre prochaine commande, sans montant minimum d'achat.

Inscrivez-vous à la newsletter et recevez 10 % de réduction* sur votre prochaine commande, sans montant minimum d'achat.

Veuillez saisir une adresse e-mail valide !

* Remises valables uniquement sur les articles immédiatement disponibles (statut de livraison vert) et remisables : -15 % de remise sur une sélection d'articles de la marque Reolink, -15 % de remise sur une sélection d'articles de la marque Sygonix et -10 % de remise sur les articles de la marque Abus. Offre valable jusqu'au 26/04/2026 sur conrad.fr (hors commandes Marketplace). Non cumulable avec d'autres codes avantage. Limité à une utilisation par client. Une limitation des quantités par commande peut s'appliquer dans certains cas. Plus d'informations sur conr.fr/codeavantage

Modes de paiement
Conrad sur les réseaux sociaux

Nous contacter

CONRAD ELECTRONIC

SERVICE CLIENT

ZONE COMMERCIALE
ENGLOS LES GEANTS
AVENUE DE LA BOUTILLERIE
59320 SEQUEDIN

Besoin d'aide ? Consultez notre FAQ

Les prix indiqués s'entendent HT (Hors Taxes)

Tous les prix indiqués s'entendent TTC (Toutes Taxes Comprises)

  • Protection des données

  • Méthodes de paiement sécurisées

  • Protocole SSL

  • Conditions générales de vente et d'utilisation

  • Mentions légales

  • Protection des données

  • Droit de rétractation

Comparaison des produits
Liste d'achats