Lien direct
  • Conrad
  • Mon compte

    Me connecter / M'inscrire

  • Panier

  • Promotions Promotions
  • Secteurs Industriels
    Industrie
    Infrastructure
    Serwices professionalles
  • Univers Conrad
    Conrad - Your Sourcing Platform
    Promotions
    Nouveaux produits
    Guides & Conseils
    Devenez vendeur sur conrad

    Marques propres

    Toolcraft
    Voltcraft
    Tru components
    Renkforce
    Speaka professional
    Sygonix
  • Services

    Services sélectionnés pour vous

    Statut de commande
    PCB
    Newsletter
    Garantie
    Avantage Education
    Service client
  • Solutions achats
    eProcurement
    Demande de devis
    Commandes cadencees
    Commande directe
    Produit a la demande
    Business Plus
  • Nos produits
  • Mon compte
  • Liste d'achats
  • Se déconnecter
Conrad
Accueil
Électromécanique Relais Relais électriques industriels

Phoenix Contact PLC-RPT- 60DC/21-21 Module relais Tension nominale: 60 V/DC Courant de commutation (max.): 6 A 2 inverse

EAN :
Ref. fabricant :
Code produit :
Un composant de borne de raccordement modulaire gris avec des leviers orange et des marquages de sécurité, conçu pour le montage dans des armoires électriques.
Un composant de borne de raccordement modulaire gris avec des leviers orange et des marquages de sécurité, conçu pour le montage dans des armoires électriques.
Le diagramme montre les lignes du schéma de commutation pour le courant [A] en fonction de la tension [V]. Les lignes pour CA, CC en série, CC, et CC avec L/R = 40 ms sont marquées.
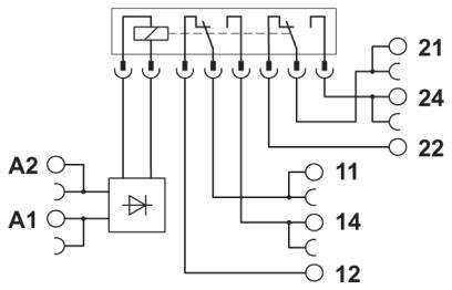
Schéma de connexion d'un relais électrique avec des points de connexion numérotés. Montre les connexions internes entre les bobines et les contacts.
Le diagramme montre la dépendance de U/UN en fonction de TU (°C) pour 60 V DC. Deux lignes : A et B, s'étendent de 25°C à 60°C, les valeurs varient de 0,8 à 1,4.
1/4
Photo non contractuelle
Type de produit
Module relais
Type de contact
2 inverseurs (RT)
Tension nominale
60 V/DC
Tension de contact (max.)
250 V DC/AC
Courant de commutation (max.)
6 A
Fiche technique (PDF)
European union
Phoenix Contact
Livraisonle lun. 13 avril

3 pièce(s)

Quantité (pièce(s))
Economie
prix de l'emballage (HT)
1
-
26,66 €
3
4% = 1,16 €
25,50 €
5
6% = 1,63 €
25,03 €
10
7% = 1,93 €
24,73 €
25
9% = 2,28 €
24,38 €
50
10% = 2,67 €
23,99 €
Les remises sur volume varient selon les vendeurs
Économiser 0,00 €

Nombre

Total (26,66 € / unité(s))
26,66 €
HT 
Plus que 3 pièce(s) en stock !
Signaler un incident juridique
  • 1 500 000 références

  • 2500 marques

  • 18 marques Conrad

  • Service après-vente

  • 4 modes de livraison

  • Service Client

  • Ma commande

  • Modes de paiement pour les professionnels

  • Modes de paiement pour les particuliers

  • Droits de rétraction & retours

  • FAQ

  • Modes de livraison

  • A propos de Conrad

  • Conrad Your Sourcing Platform

  • Nouveautés & Conseils

  • Eco-responsabilité

  • ISO-certification

  • Vulnerability Disclosure Program

  • Information REACH

  • Informations sur l'accessibilité

  • Services Conrad

  • Service devis

  • e-Procurement

  • Business Plus

  • Service calibration

  • Accès rapide

  • Marques de A à Z

  • Catégories de A-Z

  • Nos promotions 🛒

  • Download Center

  • Recrutement

Newsletter

Inscrivez-vous à la newsletter et recevez 10 % de réduction* sur votre prochaine commande, sans montant minimum d'achat.

Inscrivez-vous à la newsletter et recevez 10 % de réduction* sur votre prochaine commande, sans montant minimum d'achat.

Veuillez saisir une adresse e-mail valide !

Modes de paiement
Conrad sur les réseaux sociaux

Nous contacter

CONRAD ELECTRONIC

SERVICE CLIENT

ZONE COMMERCIALE
ENGLOS LES GEANTS
AVENUE DE LA BOUTILLERIE
59320 SEQUEDIN

Besoin d'aide ? Consultez notre FAQ

Les prix indiqués s'entendent HT (Hors Taxes)

Tous les prix indiqués s'entendent TTC (Toutes Taxes Comprises)

  • Protection des données

  • Méthodes de paiement sécurisées

  • Protocole SSL

  • Conditions générales de vente et d'utilisation

  • Mentions légales

  • Protection des données

  • Droit de rétractation

Comparaison des produits
Liste d'achats