Lien direct
  • Conrad
  • Mon compte

    Me connecter / M'inscrire

  • Panier

  • Promotions Promotions
  • Secteurs Industriels
    Industrie
    Infrastructure
    Serwices professionalles
  • Univers Conrad
    Conrad - Your Sourcing Platform
    Promotions
    Nouveaux produits
    Guides & Conseils
    Devenez vendeur sur conrad

    Marques propres

    Toolcraft
    Voltcraft
    Tru components
    Renkforce
    Speaka professional
    Sygonix
  • Services

    Services sélectionnés pour vous

    Statut de commande
    PCB
    Newsletter
    Garantie
    Avantage Education
    Service client
  • Solutions achats
    eProcurement
    Demande de devis
    Commandes cadencees
    Commande directe
    Produit a la demande
    Business Plus
  • Nos produits
  • Mon compte
  • Liste d'achats
  • Se déconnecter
Conrad
Accueil
Électromécanique Relais Relais pour C.I., Relais enfichables

Phoenix Contact REL-IR4/LDP- 24DC/4X21AU Relais 24 V/DC 50 mA 4 inverseurs (RT) 10 pc(s)

EAN :
Ref. fabricant :
Code produit :
Relais industriel avec boîtier transparent, montrant les connexions électriques et les marquages des spécifications techniques.
Relais industriel avec boîtier transparent, montrant les connexions électriques et les marquages des spécifications techniques.
Le diagramme montre la relation entre le pouvoir de coupure en kVA et le nombre de manœuvres à 250 V AC, charge ohmique. Courbe et point 1 marqués.
Le diagramme montre le facteur de réduction en fonction de cos φ. La courbe descend de 1 à cos φ = 0 à 0,3 à cos φ = 0,2.
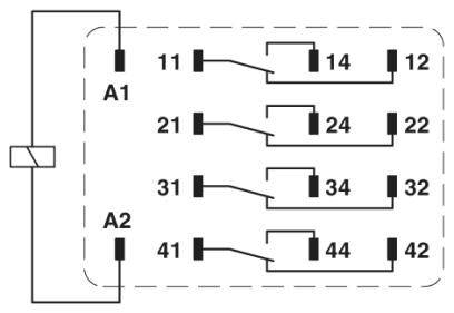
Schéma électrique montrant cinq interrupteurs répartis en deux colonnes, avec des étiquettes de 11 à 44 et des bornes A1 et A2.
Le diagramme montre le courant de commutation (A) en fonction de la tension de commutation (V). Deux courbes : 1 représente AC, charge ohmique ; 2 représente DC, charge ohmique.
Phoenix Contact REL-IR4/LDP- 24DC/4X21AU Relais 24 V/DC 50 mA 4 inverseurs (RT) 10 pc(s)-5
1/6
Photo non contractuelle
Type de produit
Relais
Tension nominale de la bobine
24 V/DC
Type de contact
4 inverseurs (RT)
Tension de contact (max.)
30 V/AC
Courant de commutation (max.)
50 mA
Fiche technique (PDF)
European union
Phoenix Contact
Livraison avantle jeu. 16 avril

31 Paquet(s)
Afficher des alternatives

Quantité (Paquet(s))
Economie
prix de l'emballage (HT)
1
-
104,16 €
3
3% = 2,88 €
101,28 €
5
4% = 4,04 €
100,12 €
10
5% = 4,81 €
99,35 €
25
5% = 5,68 €
98,48 €
Les remises sur volume varient selon les vendeurs
Économiser 0,00 €

Nombre (taille du paquet 10 Paquet(s))

Total (104,16 € / unité(s))
104,16 €
HT 
Signaler un incident juridique
  • 1 500 000 références

  • 2500 marques

  • 18 marques Conrad

  • Service après-vente

  • 4 modes de livraison

  • Service Client

  • Ma commande

  • Modes de paiement pour les professionnels

  • Modes de paiement pour les particuliers

  • Droits de rétraction & retours

  • FAQ

  • Modes de livraison

  • A propos de Conrad

  • Conrad Your Sourcing Platform

  • Nouveautés & Conseils

  • Eco-responsabilité

  • ISO-certification

  • Vulnerability Disclosure Program

  • Information REACH

  • Informations sur l'accessibilité

  • Services Conrad

  • Service devis

  • e-Procurement

  • Business Plus

  • Service calibration

  • Accès rapide

  • Marques de A à Z

  • Catégories de A-Z

  • Nos promotions 🛒

  • Download Center

  • Recrutement

Newsletter

Inscrivez-vous à la newsletter et recevez 10 % de réduction* sur votre prochaine commande, sans montant minimum d'achat.

Inscrivez-vous à la newsletter et recevez 10 % de réduction* sur votre prochaine commande, sans montant minimum d'achat.

Veuillez saisir une adresse e-mail valide !

Modes de paiement
Conrad sur les réseaux sociaux

Nous contacter

CONRAD ELECTRONIC

SERVICE CLIENT

ZONE COMMERCIALE
ENGLOS LES GEANTS
AVENUE DE LA BOUTILLERIE
59320 SEQUEDIN

Besoin d'aide ? Consultez notre FAQ

Les prix indiqués s'entendent HT (Hors Taxes)

Tous les prix indiqués s'entendent TTC (Toutes Taxes Comprises)

  • Protection des données

  • Méthodes de paiement sécurisées

  • Protocole SSL

  • Conditions générales de vente et d'utilisation

  • Mentions légales

  • Protection des données

  • Droit de rétractation

Comparaison des produits
Liste d'achats