Lien direct
  • Conrad
  • Mon compte

    Me connecter / M'inscrire

  • Panier

  • Promotions Promotions
  • Secteurs Industriels
    Industrie
    Infrastructure
    Serwices professionalles
  • Univers Conrad
    Conrad - Your Sourcing Platform
    Promotions
    Nouveaux produits
    Guides & Conseils
    Devenez vendeur sur conrad

    Marques propres

    Toolcraft
    Voltcraft
    Tru components
    Renkforce
    Speaka professional
    Sygonix
  • Services

    Services sélectionnés pour vous

    Statut de commande
    PCB
    Newsletter
    Garantie
    Avantage Education
    Service client
  • Solutions achats
    eProcurement
    Demande de devis
    Commandes cadencees
    Commande directe
    Produit a la demande
    Business Plus
  • Nos produits
  • Mon compte
  • Liste d'achats
  • Se déconnecter
Conrad
Accueil
Câbles & connecteurs Connecteurs Connecteurs pour circuits imprimés Borniers pour circuits imprimés

WAGO 2086-1130 Borne pour circuits imprimés 1.50 mm² Nombre de pôles 10 noir 1 pc(s)

EAN :
Ref. fabricant :
Code produit :
Connecteur en plastique noir avec dix broches rectangulaires disposées en deux rangées, adapté aux applications électroniques.
Connecteur en plastique noir avec dix broches rectangulaires disposées en deux rangées, adapté aux applications électroniques.
Une fiche noire rectangulaire à 12 broches, adaptée aux connexions électroniques, montre clairement les sorties de broches.
Dessin technique d'un connecteur électrique avec dimensions en millimètres. Présente une vue latérale et frontale de la fiche.
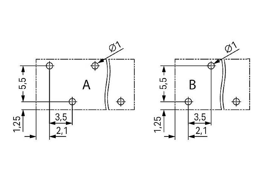
Dessin technique de deux pièces métalliques rectangulaires, étiquetées 'A' et 'B'. Les deux présentent des diamètres de trous (Ø 1) et les dimensions : 5,5, 3,5, 2,1, 1,25.
1/4
Type de produit
Borne pour circuits imprimés
Dimension grille
3.50 mm
Nombre de pôles par rangée
10
Nombre de pôles
10
Connexion
connexion Cage Clamp
WAGO
 

73 pièce(s)
Vente et expédition :
Conrad Electronic CGV

Quantité (pièce(s))
Economie
prix de l'emballage (HT)
1
-
2,74 € €
10
8% = 0,21 €
2,53 € €
25
10% = 0,28 €
2,46 € €
50
12% = 0,34 €
2,40 € €
100
15% = 0,40 €
2,34 € €
250
17% = 0,47 €
2,27 € €
Les remises sur volume varient selon les vendeurs
Économiser 0,00 €

Nombre

Total (2,74 € / unité(s))
5,41 €
-49 %
€
Signaler un incident juridique
  • 1 500 000 références

  • 2500 marques

  • 18 marques Conrad

  • Service après-vente

  • 4 modes de livraison

  • Service Client

  • Ma commande

  • Modes de paiement pour les professionnels

  • Modes de paiement pour les particuliers

  • Droits de rétraction & retours

  • FAQ

  • Modes de livraison

  • A propos de Conrad

  • Conrad Your Sourcing Platform

  • Nouveautés & Conseils

  • Eco-responsabilité

  • ISO-certification

  • Vulnerability Disclosure Program

  • Information REACH

  • Informations sur l'accessibilité

  • Services Conrad

  • Service devis

  • e-Procurement

  • Business Plus

  • Service calibration

  • Accès rapide

  • Marques de A à Z

  • Catégories de A-Z

  • Nos promotions 🛒

  • Download Center

  • Recrutement

Newsletter

Inscrivez-vous à la newsletter et recevez 10 % de réduction* sur votre prochaine commande, sans montant minimum d'achat.

Inscrivez-vous à la newsletter et recevez 10 % de réduction* sur votre prochaine commande, sans montant minimum d'achat.

Veuillez saisir une adresse e-mail valide !

Les Semaines du Génie Climatique
* Remise de 20 % sur une sélection de produits des marques Philips et Sygonix, et 10 % sur l'ensemble de la gamme Bosch Home Comfort (à l'exception des références : 2885941 et 3730522). Offre valable jusqu'au 07/06/2026 sur conrad.fr (hors commandes Marketplace). Non cumulable avec d'autres codes avantages. Offre limitée à une utilisation par client. Nous nous réservons le droit de limiter les quantités commandées dans certains cas particuliers.

Wiha
* Remise exclusivement valable sur les articles remisables de la marque Wiha affichant un statut de livraison vert (disponibilité immédiate). L'offre est applicable jusqu'au 31/05/2026 sur conrad.fr, à l'exclusion des produits vendus via la Marketplace. Offre non cumulable avec d'autres codes avantages et limitée à une seule utilisation par client. Nous nous réservons le droit de limiter les quantités par commande dans certains cas.

Choisissez votre cadeau
* Cadeau offert pour toute commande d'un montant minimum de 250 €, 500 € ou 1 000 € HT (valeur minimum des articles immédiatement disponibles indiqués par un statut de livraison : vert. Valeur des articles conservés après un éventuel retour). Offre valable jusqu'au 19 juin 2026 sur conrad.fr (hors commandes Marketplace, cartes prépayées/cadeaux, livres et abonnement Business PLUS+). Non cumulable avec d'autres codes avantages. Offre limitée à une utilisation par client. Nous nous réservons le droit de limiter les quantités par commande dans certains cas particuliers.

Modes de paiement
Conrad sur les réseaux sociaux

Nous contacter

CONRAD ELECTRONIC

SERVICE CLIENT

ZONE COMMERCIALE
ENGLOS LES GEANTS
AVENUE DE LA BOUTILLERIE
59320 SEQUEDIN

Besoin d'aide ? Consultez notre FAQ

Les prix indiqués s'entendent HT (Hors Taxes)

Tous les prix indiqués s'entendent TTC (Toutes Taxes Comprises)

  • Protection des données

  • Méthodes de paiement sécurisées

  • Protocole SSL

  • Conditions générales de vente et d'utilisation

  • Mentions légales

  • Protection des données

  • Droit de rétractation

Comparaison des produits
Liste d'achats