Lien direct
  • Conrad
  • Mon compte

    Me connecter / M'inscrire

  • Panier

  • Promotions Promotions
  • Secteurs Industriels
    Industrie
    Infrastructure
    Serwices professionalles
  • Univers Conrad
    Conrad - Your Sourcing Platform
    Promotions
    Nouveaux produits
    Guides & Conseils
    Devenez vendeur sur conrad

    Marques propres

    Toolcraft
    Voltcraft
    Tru components
    Renkforce
    Speaka professional
    Sygonix
  • Services

    Services sélectionnés pour vous

    Statut de commande
    PCB
    Newsletter
    Garantie
    Avantage Education
    Service client
  • Solutions achats
    eProcurement
    Demande de devis
    Commandes cadencees
    Commande directe
    Produit a la demande
    Business Plus
  • Nos produits
  • Mon compte
  • Liste d'achats
  • Se déconnecter
Conrad
Accueil
Automatisme & pneumatique Automatisme API - Automates Programmables Industriels Wago Modules API WAGO

WAGO FC CANopen DSub API - Coupleur de Bus de terrain 750-338 1 pc(s)

EAN :
Ref. fabricant :
Code produit :
Capteur industriel en gris avec plusieurs connexions et voyants de contrôle. Le dessus présente des logos et des interrupteurs ; conçu pour un montage sur rail.
Capteur industriel en gris avec plusieurs connexions et voyants de contrôle. Le dessus présente des logos et des interrupteurs ; conçu pour un montage sur rail.
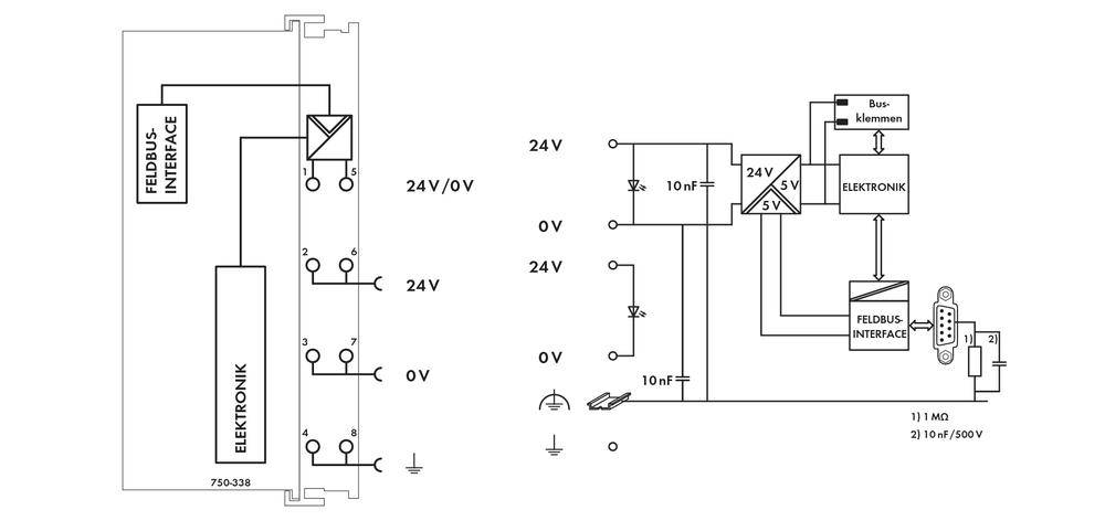
'Diagramme d'un module électronique avec des étiquettes pour la connexion de bus de terrain, l'interrupteur DIP, les bornes d'alimentation et les contacts de puissance.'
'Schéma de câblage d'un système électronique avec interface FEDBUS : connexion 24V, électronique et un capteur de mouvement de 11 MB.'
1/3
WAGO
Fiche technique (PDF)
Livraison avantle mar. 14 avril

584 pièce(s)

Quantité (pièce(s))
Economie
prix de l'emballage (HT)
1
-
387,50 €
3
2% = 9,46 €
378,04 €
5
3% = 13,22 €
374,28 €
10
4% = 15,73 €
371,77 €
Les remises sur volume varient selon les vendeurs
Économiser 0,00 €

Nombre

Total (387,50 € / unité(s))
387,50 €
HT 
dont 0,06 €  d’éco-part
Signaler un incident juridique
  • 1 500 000 références

  • 2500 marques

  • 18 marques Conrad

  • Service après-vente

  • 4 modes de livraison

  • Service Client

  • Ma commande

  • Modes de paiement pour les professionnels

  • Modes de paiement pour les particuliers

  • Droits de rétraction & retours

  • FAQ

  • Modes de livraison

  • A propos de Conrad

  • Conrad Your Sourcing Platform

  • Nouveautés & Conseils

  • Eco-responsabilité

  • ISO-certification

  • Vulnerability Disclosure Program

  • Information REACH

  • Informations sur l'accessibilité

  • Services Conrad

  • Service devis

  • e-Procurement

  • Business Plus

  • Service calibration

  • Accès rapide

  • Marques de A à Z

  • Catégories de A-Z

  • Nos promotions 🛒

  • Download Center

  • Recrutement

Newsletter

Inscrivez-vous à la newsletter et recevez 10 % de réduction* sur votre prochaine commande, sans montant minimum d'achat.

Inscrivez-vous à la newsletter et recevez 10 % de réduction* sur votre prochaine commande, sans montant minimum d'achat.

Veuillez saisir une adresse e-mail valide !

Offre Produits de bureau
Remise valable uniquement sur les articles remisables des marques i-Tec, Intenso, Canon et Brother en stock. Offre valable jusqu'au 05/04/2026 sur conrad.fr (hors commandes Marketplace) avec le code OFFICE326. Non cumulable avec d'autres codes avantages. Une seule utilisation par client. Les quantités commandées peuvent être limitées. Plus d'informations sur conr.fr/codeavantage

Modes de paiement
Conrad sur les réseaux sociaux

Nous contacter

CONRAD ELECTRONIC

SERVICE CLIENT

ZONE COMMERCIALE
ENGLOS LES GEANTS
AVENUE DE LA BOUTILLERIE
59320 SEQUEDIN

Besoin d'aide ? Consultez notre FAQ

Les prix indiqués s'entendent HT (Hors Taxes)

Tous les prix indiqués s'entendent TTC (Toutes Taxes Comprises)

  • Protection des données

  • Méthodes de paiement sécurisées

  • Protocole SSL

  • Conditions générales de vente et d'utilisation

  • Mentions légales

  • Protection des données

  • Droit de rétractation

Comparaison des produits
Liste d'achats